Ignition Coil 6 Secondary Circuit Insufficient Ionization . P2302 indicates a problem with ignition coil “a” secondary circuit insufficient ionization. The purpose of this diagnostic monitor is to verify. The common causes of the p2302. According to the diagnostics for those codes, it saying that the pcm detects that the secondary part of the ignition system (plugs, wires, coil) has an incorrect burn time or not firing. Will not rev past 2100/2200 rpm. Code p2302 can be logged when the powertrain control module (pcm) detects a problem with ignition coil “a” or its secondary (high voltage) circuit. According to the diagnostics for those codes, it saying that the pcm detects that the secondary part of the ignition system (plugs, wires, coil).
from charm.li
The common causes of the p2302. According to the diagnostics for those codes, it saying that the pcm detects that the secondary part of the ignition system (plugs, wires, coil) has an incorrect burn time or not firing. P2302 indicates a problem with ignition coil “a” secondary circuit insufficient ionization. Will not rev past 2100/2200 rpm. The purpose of this diagnostic monitor is to verify. According to the diagnostics for those codes, it saying that the pcm detects that the secondary part of the ignition system (plugs, wires, coil). Code p2302 can be logged when the powertrain control module (pcm) detects a problem with ignition coil “a” or its secondary (high voltage) circuit.
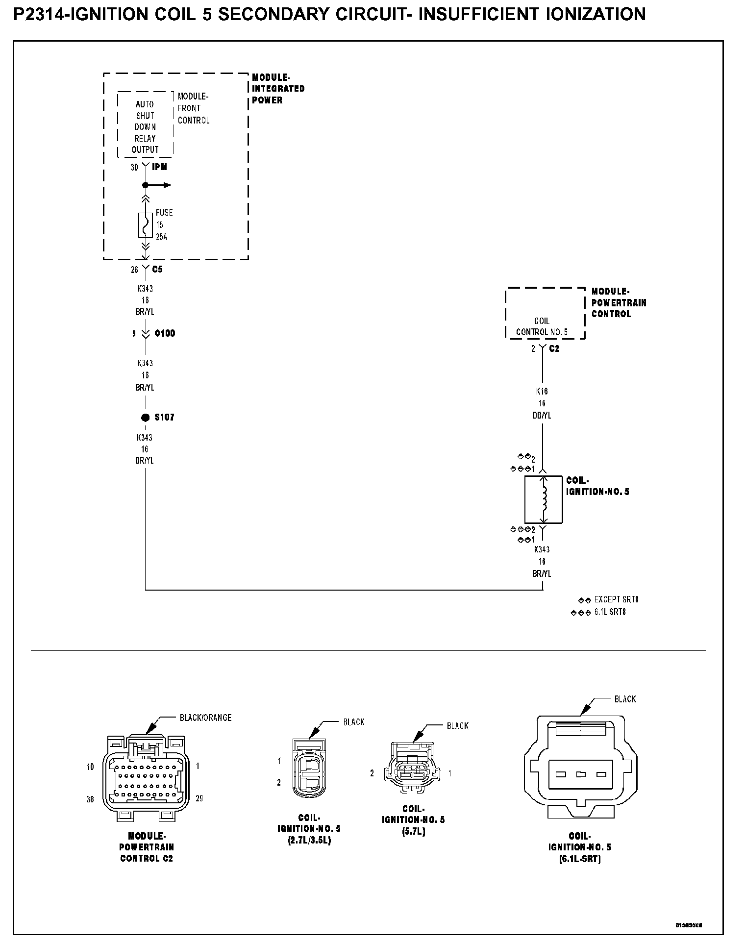
P2314 — 2006 Chrysler 300 V63.5L VIN G Service Manual Operation CHARM
Ignition Coil 6 Secondary Circuit Insufficient Ionization P2302 indicates a problem with ignition coil “a” secondary circuit insufficient ionization. According to the diagnostics for those codes, it saying that the pcm detects that the secondary part of the ignition system (plugs, wires, coil). P2302 indicates a problem with ignition coil “a” secondary circuit insufficient ionization. Will not rev past 2100/2200 rpm. According to the diagnostics for those codes, it saying that the pcm detects that the secondary part of the ignition system (plugs, wires, coil) has an incorrect burn time or not firing. Code p2302 can be logged when the powertrain control module (pcm) detects a problem with ignition coil “a” or its secondary (high voltage) circuit. The purpose of this diagnostic monitor is to verify. The common causes of the p2302.
From www.championautoparts.com
How Ignition Systems Work Champion Tech Tips Ignition Coil 6 Secondary Circuit Insufficient Ionization P2302 indicates a problem with ignition coil “a” secondary circuit insufficient ionization. Code p2302 can be logged when the powertrain control module (pcm) detects a problem with ignition coil “a” or its secondary (high voltage) circuit. According to the diagnostics for those codes, it saying that the pcm detects that the secondary part of the ignition system (plugs, wires, coil).. Ignition Coil 6 Secondary Circuit Insufficient Ionization.
From www.carparts.com
P0356 Code Ignition Coil F Primary / Secondary Circuit Malfunction Ignition Coil 6 Secondary Circuit Insufficient Ionization The purpose of this diagnostic monitor is to verify. Code p2302 can be logged when the powertrain control module (pcm) detects a problem with ignition coil “a” or its secondary (high voltage) circuit. Will not rev past 2100/2200 rpm. According to the diagnostics for those codes, it saying that the pcm detects that the secondary part of the ignition system. Ignition Coil 6 Secondary Circuit Insufficient Ionization.
From charm.li
P2314 — 2006 Chrysler 300 V63.5L VIN G Service Manual Operation CHARM Ignition Coil 6 Secondary Circuit Insufficient Ionization According to the diagnostics for those codes, it saying that the pcm detects that the secondary part of the ignition system (plugs, wires, coil). Will not rev past 2100/2200 rpm. The common causes of the p2302. The purpose of this diagnostic monitor is to verify. According to the diagnostics for those codes, it saying that the pcm detects that the. Ignition Coil 6 Secondary Circuit Insufficient Ionization.
From www.diagramcircuit.com
Ignition Coil D Primary Secondary Circuit Location Diagram Circuit Ignition Coil 6 Secondary Circuit Insufficient Ionization Will not rev past 2100/2200 rpm. According to the diagnostics for those codes, it saying that the pcm detects that the secondary part of the ignition system (plugs, wires, coil). P2302 indicates a problem with ignition coil “a” secondary circuit insufficient ionization. Code p2302 can be logged when the powertrain control module (pcm) detects a problem with ignition coil “a”. Ignition Coil 6 Secondary Circuit Insufficient Ionization.
From www.youtube.com
How to Fix a P0353 Ignition Coil C Primary / Secondary Circuit YouTube Ignition Coil 6 Secondary Circuit Insufficient Ionization P2302 indicates a problem with ignition coil “a” secondary circuit insufficient ionization. The purpose of this diagnostic monitor is to verify. The common causes of the p2302. Code p2302 can be logged when the powertrain control module (pcm) detects a problem with ignition coil “a” or its secondary (high voltage) circuit. According to the diagnostics for those codes, it saying. Ignition Coil 6 Secondary Circuit Insufficient Ionization.
From www.justanswer.com
Recently changed plugs and truck ran rough afterwards. Got a code of Ignition Coil 6 Secondary Circuit Insufficient Ionization According to the diagnostics for those codes, it saying that the pcm detects that the secondary part of the ignition system (plugs, wires, coil) has an incorrect burn time or not firing. The common causes of the p2302. Will not rev past 2100/2200 rpm. According to the diagnostics for those codes, it saying that the pcm detects that the secondary. Ignition Coil 6 Secondary Circuit Insufficient Ionization.
From www.carparts.com
P0351 Code Ignition Coil A Primary / Secondary Circuit In The Garage Ignition Coil 6 Secondary Circuit Insufficient Ionization P2302 indicates a problem with ignition coil “a” secondary circuit insufficient ionization. According to the diagnostics for those codes, it saying that the pcm detects that the secondary part of the ignition system (plugs, wires, coil) has an incorrect burn time or not firing. Will not rev past 2100/2200 rpm. The purpose of this diagnostic monitor is to verify. Code. Ignition Coil 6 Secondary Circuit Insufficient Ionization.
From circuitlibrarytrill.z13.web.core.windows.net
Diagram Of A Distributor Ignition Coil 6 Secondary Circuit Insufficient Ionization According to the diagnostics for those codes, it saying that the pcm detects that the secondary part of the ignition system (plugs, wires, coil). The common causes of the p2302. The purpose of this diagnostic monitor is to verify. Will not rev past 2100/2200 rpm. Code p2302 can be logged when the powertrain control module (pcm) detects a problem with. Ignition Coil 6 Secondary Circuit Insufficient Ionization.
From www.wiringscan.com
What Is Ignition Coil A Primary Secondary Circuit Malfunction Wiring Scan Ignition Coil 6 Secondary Circuit Insufficient Ionization The common causes of the p2302. The purpose of this diagnostic monitor is to verify. According to the diagnostics for those codes, it saying that the pcm detects that the secondary part of the ignition system (plugs, wires, coil). P2302 indicates a problem with ignition coil “a” secondary circuit insufficient ionization. Code p2302 can be logged when the powertrain control. Ignition Coil 6 Secondary Circuit Insufficient Ionization.
From www.jeep.automotive-manuals.com
P2323IGNITION COIL 8 SECONDARY CIRCUIT INSUFFICIENT IONIZATION JEEP Ignition Coil 6 Secondary Circuit Insufficient Ionization P2302 indicates a problem with ignition coil “a” secondary circuit insufficient ionization. The common causes of the p2302. According to the diagnostics for those codes, it saying that the pcm detects that the secondary part of the ignition system (plugs, wires, coil) has an incorrect burn time or not firing. Code p2302 can be logged when the powertrain control module. Ignition Coil 6 Secondary Circuit Insufficient Ionization.
From eggenmarindaoes.blogspot.com
05 Silverado Ignition Coil Diagram Marinda Eggen Ignition Coil 6 Secondary Circuit Insufficient Ionization According to the diagnostics for those codes, it saying that the pcm detects that the secondary part of the ignition system (plugs, wires, coil). The common causes of the p2302. P2302 indicates a problem with ignition coil “a” secondary circuit insufficient ionization. Will not rev past 2100/2200 rpm. The purpose of this diagnostic monitor is to verify. Code p2302 can. Ignition Coil 6 Secondary Circuit Insufficient Ionization.
From www.chryslerforum.com
Ignition Coil 4 Chrysler Forum Chrysler Enthusiast Forums Ignition Coil 6 Secondary Circuit Insufficient Ionization Will not rev past 2100/2200 rpm. Code p2302 can be logged when the powertrain control module (pcm) detects a problem with ignition coil “a” or its secondary (high voltage) circuit. The purpose of this diagnostic monitor is to verify. According to the diagnostics for those codes, it saying that the pcm detects that the secondary part of the ignition system. Ignition Coil 6 Secondary Circuit Insufficient Ionization.
From www.carparts.com
P2302 Code Ignition Coil “A” Secondary Circuit In The Garage with Ignition Coil 6 Secondary Circuit Insufficient Ionization The purpose of this diagnostic monitor is to verify. According to the diagnostics for those codes, it saying that the pcm detects that the secondary part of the ignition system (plugs, wires, coil). The common causes of the p2302. According to the diagnostics for those codes, it saying that the pcm detects that the secondary part of the ignition system. Ignition Coil 6 Secondary Circuit Insufficient Ionization.
From www.mechanicalbooster.com
What is an Ignition Coil? Mechanical Booster Ignition Coil 6 Secondary Circuit Insufficient Ionization Code p2302 can be logged when the powertrain control module (pcm) detects a problem with ignition coil “a” or its secondary (high voltage) circuit. Will not rev past 2100/2200 rpm. The common causes of the p2302. According to the diagnostics for those codes, it saying that the pcm detects that the secondary part of the ignition system (plugs, wires, coil). Ignition Coil 6 Secondary Circuit Insufficient Ionization.
From themechanicalengineering.com
Ignition System Definition, Parts, Working, Advantages Ignition Coil 6 Secondary Circuit Insufficient Ionization Code p2302 can be logged when the powertrain control module (pcm) detects a problem with ignition coil “a” or its secondary (high voltage) circuit. The purpose of this diagnostic monitor is to verify. Will not rev past 2100/2200 rpm. According to the diagnostics for those codes, it saying that the pcm detects that the secondary part of the ignition system. Ignition Coil 6 Secondary Circuit Insufficient Ionization.
From www.diagramcircuit.com
What Is Ignition Coil A Primary Secondary Circuit Diagram Circuit Ignition Coil 6 Secondary Circuit Insufficient Ionization According to the diagnostics for those codes, it saying that the pcm detects that the secondary part of the ignition system (plugs, wires, coil). The common causes of the p2302. P2302 indicates a problem with ignition coil “a” secondary circuit insufficient ionization. According to the diagnostics for those codes, it saying that the pcm detects that the secondary part of. Ignition Coil 6 Secondary Circuit Insufficient Ionization.
From www.jeepforum.com
Ignition coil 16 insufficient Ionization Jeep Enthusiast Forums Ignition Coil 6 Secondary Circuit Insufficient Ionization Will not rev past 2100/2200 rpm. P2302 indicates a problem with ignition coil “a” secondary circuit insufficient ionization. The common causes of the p2302. The purpose of this diagnostic monitor is to verify. According to the diagnostics for those codes, it saying that the pcm detects that the secondary part of the ignition system (plugs, wires, coil) has an incorrect. Ignition Coil 6 Secondary Circuit Insufficient Ionization.
From toyotask.com
Exploring the Differences in Ignition Coils A Deep Dive into Rav4’s 4 Ignition Coil 6 Secondary Circuit Insufficient Ionization P2302 indicates a problem with ignition coil “a” secondary circuit insufficient ionization. The purpose of this diagnostic monitor is to verify. Will not rev past 2100/2200 rpm. Code p2302 can be logged when the powertrain control module (pcm) detects a problem with ignition coil “a” or its secondary (high voltage) circuit. The common causes of the p2302. According to the. Ignition Coil 6 Secondary Circuit Insufficient Ionization.